System Dynamics and Agent-based Modeling in Python
-
Updated
Oct 8, 2025 - Python
System Dynamics and Agent-based Modeling in Python
Deep learning scripts used to accurately predict human-robot system dynamics for future prosthesis control methods
Dev Branch for SocNavBench: Social Navigation Robot Algorithm Benchmarking Tool
System Dynamics package for Python
A set of classes for simulating various business-related scenarios. It is designed for educational use, allowing students to experiment with modeling, analysis, and decision-making in different contexts.
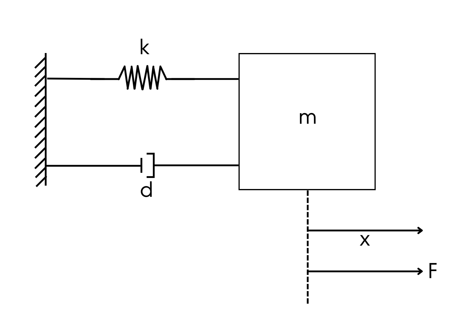
This repository contains supporting material for "Quantitative Performance Analysis of Spring-Mass-Damper Control Systems: A Comparative Implementation in Python and R"
Simulation of my stock-and-flow model of the Lions Gate Hospital ER dept in North Vancouver, BC
Transform your favorite Python simulations into a game ! We provide tools and API to make your dreams come true.
PoliRural Server API and XMILE-converter
Add a description, image, and links to the system-dynamics topic page so that developers can more easily learn about it.
To associate your repository with the system-dynamics topic, visit your repo's landing page and select "manage topics."